usot 12pin cwdm系列双纤光模块
发布时间:2025-04-08 13:21:47
发布者:PA视讯官方网站科技
浏览次数:454USOT 12pin CWDM系列双纤光模块是一款面向高可靠、高性能场景设计的光通信核心器件,适用于极端环境下的高速数据传输需求。该模块采用紧凑型USOT 12pin封装和双纤LC接口,通过双纤双向(BiDi)架构实现高效光信号传输,支持1.25Gbps至10Gbps宽速率范围,并可通过定制内置CDR(时钟数据恢复)功能优化高速信号完整性。其单3.3V电源供电与CML逻辑电平设计显著降低系统集成复杂度,同时具备带电信号回环功能,便于链路调试与故障定位。
在可靠性方面,模块通过全金属外壳实现三重防护:高密度封装提升抗振动性能,金属导热结构增强散热能力,电磁屏蔽设计配合低EMI电路将干扰降至最低,辅以强化ESD保护确保恶劣电气环境下的稳定运行。数字诊断监控(DDM)功能实时追踪光功率、温度及电压等关键参数,为系统健康管理提供数据支持。产品特别军品工业级(-45°C~85°C)和军品扩展工业级(-55°C~85°C)宽温版本,满足不同严苛场景需求。
该系列模块专为高对抗性环境设计,在数字雷达阵列中实现高速信号同步传输,支撑相控阵系统的实时数据处理;在高强度电子对抗设备中,凭借抗干扰特性和极端温度适应性保障关键通信链路;同时服务于军事、能源等领域的点对点光纤通信系统,为远距离、高保密性数据传输提供硬件级保障,是复杂环境下的高可靠光通信解决方案。
产品特性:
支持1.25G~10Gbps速率
USOT 12pin封装,双纤LC连接器
可定制内置CDR功能,带电信号回环功能
单3.3V电源和信号输入/输出CML逻辑电平
极低的电磁干扰和优良的ESD保护
高可靠性,全金属外壳,抗振动设计
带数字诊断监控(DDM)功能
工作温度:
J:-45°C~+85°C
M:-55°C~+85°C
产品应用:
数字雷达阵列
高要求对抗设备
高可靠高数据率点对点光纤通信
订购信息表:
| 产品型号 | 速率 | 波长 | 传输距离 | 光纤类型 | 操作温度 |
| DTACB**(注1)-99LL*(注2)1 | 10G | CWDM | 10km | SMF | J/M |
| DTACB**(注1)-99LE*(注2)1 | 10G | CWDM | 20km | SMF | J/M |
| DTACB**(注1)-99LG*(注2)1 | 10G | CWDM | 40km | SMF | J/M |
| DTACB**(注1)-99LL*(注2)144 | 10G | TX:CWDM;RX:850nm | 10km | SMF | J/M |
| DTACB**(注1)-99LE*(注2)144 | 10G | TX:CWDM;RX:850nm | 20km | SMF | J/M |
| DTACB**(注1)-99LG*(注2)144 | 10G | TX:CWDM;RX:850nm | 40km | SMF | J/M |
| DTRFG**(注1)-99LL*(注2)144 | 10G |
TX:CWDM;RX:850nm |
10km | TX单模;RX多模 | J/M |
| DTRCG**(注1)-99LL*(注2)144 | 10G | CWDM | 10km | 单模 | J/M |
| DTACB**(注1)-66LL*(注2)1 | 6.25G | CWDM | 10km | SMF | J/M |
| DTACB**(注1)-66LE*(注2)1 | 6.25G | CWDM | 20km | SMF | J/M |
| DTACB**(注1)-66LG*(注2)1 | 6.25G | CWDM | 40km | SMF | J/M |
| DTACB**(注1)-66LL*(注2)144 | 6.25G | TX:CWDM;RX:850nm | 10km | SMF | J/M |
| DTACB**(注1)-66LE*(注2)144 | 6.25G | TX:CWDM;RX:850nm | 20km | SMF | J/M |
| DTACB**(注1)-66LG*(注2)144 | 6.25G | TX:CWDM;RX:850nm | 40km | SMF | J/M |
| DTRFG**(注1)-66LL*(注2)144 | 6.25G |
TX:CWDM;RX:850nm |
10km | TX单模;RX多模 | J/M |
| DTRCG**(注1)-66LL*(注2)144 | 6.25G | CWDM | 10km | 单模 | J/M |
| DTACB**(注1)-22LL*(注2)1 | 2.5G | CWDM | 10km | SMF | J/M |
| DTACB**(注1)-22LE*(注2)1 | 2.5G | CWDM | 20km | SMF | J/M |
| DTACB**(注1)-22LG*(注2)1 | 2.5G | CWDM | 40km | SMF | J/M |
| DTACB**(注1)-22LZ*(注2)1 | 2.5G | CWDM | 80km | SMF | J/M |
| DTACB**(注1)-22LQ*(注2)1 | 2.5G | CWDM | 120km | SMF | J/M |
| DTACB**(注1)-22LL*(注2)144 | 2.5G | TX:CWDM;RX:850nm | 10km | SMF | J/M |
| DTACB**(注1)-22LE*(注2)144 | 2.5G | TX:CWDM;RX:850nm | 20km | SMF | J/M |
| DTACB**(注1)-22LG*(注2)144 | 2.5G | TX:CWDM;RX:850nm | 40km | SMF | J/M |
| DTRFG**(注1)-22LL*(注2)144 | 2.5G |
TX:CWDM;RX:850nm |
10km | TX单模;RX多模 | J/M |
| DTRCG**(注1)-22LL*(注2)144 | 2.5G | CWDM | 10km | 单模 | J/M |
| DTAFG44-22LDM1 | 2.5G | TX:850nm;RX:CWDM | 550m | TX:MMF;RX:SMF | J/M |
| DTACB**(注1)-11LL*(注2)1 | 1.25G | CWDM | 10km | SMF | J/M |
| DTACB**(注1)-11LE*(注2)1 | 1.25G | CWDM | 20km | SMF | J/M |
| DTACB**(注1)-11LG*(注2)1 | 1.25G | CWDM | 40km | SMF | J/M |
| DTACB**(注1)-11LH*(注2)1 | 1.25G | CWDM | 60km | SMF | J/M |
| DTACB**(注1)-11LZ*(注2)1 | 1.25G | CWDM | 80km | SMF | J/M |
| DTACB**(注1)-11LQ*(注2)1 | 1.25G | CWDM | 120km | SMF | J/M |
注1:见表CWDM波长对照表,**表示对应波长代码,其中,20km产品,仅限1270nm~1450nm波段,40km产品仅限1270nm~1370nm波段
注2:J=-45°C~+85°CM=-55°C~+85°
波长对应代码表:
| 波段 |
代码 |
波长范围(nm) | ||
| 最小值 | 典型值 | 最大值 | ||
| CWDM O-band Original | 22 | 1264.5 | 1271 | 1277.5 |
| 23 | 1284.5 | 1291 | 1297.5 | |
| 24 | 1304.5 | 1311 | 1317.5 | |
| 25 | 1324.5 | 1331 | 1337.5 | |
| 26 | 1344.5 | 1351 | 1357.5 | |
| CWDM E-band Extended | 27 | 1364.5 | 1371 | 1377.5 |
| 28 | 1384.5 | 1391 | 1397.5 | |
| 29 | 1404.5 | 1411 | 1417.5 | |
| 32 | 1424.5 | 1431 | 1437.5 | |
| 33 | 1444.5 | 1451 | 1457.5 | |
| CWDM S-band Short Wavelength | 34 | 1464.5 | 1471 | 1477.5 |
| 35 | 1484.5 | 1491 | 1497.5 | |
| 36 | 1504.5 | 1511 | 1517.5 | |
| 37 | 1524.5 | 1531 | 1537.5 | |
| CWDM C-band Conventional | 38 | 1544.5 | 1551 | 1557.5 |
| CWDM L-band | 39 | 1564.5 | 1571 | 1577.5 |
| CWDM Long Wavelength | 42 | 1584.5 | 1591 | 1597.5 |
| 43 | 1604.5 | 1611 | 1617.5 | |
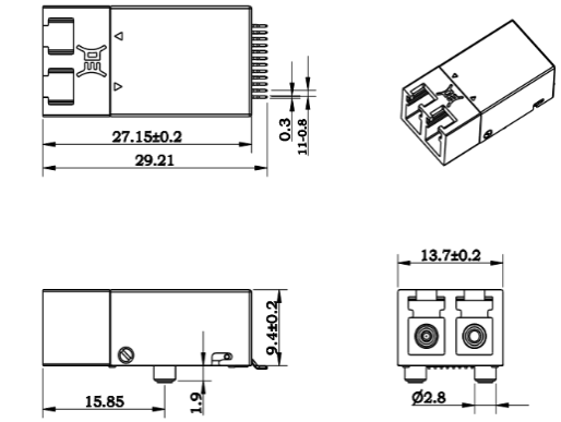
封装尺寸:(单位为毫米,未注公差为±0.2mm)
推荐系统PCB 定位及安装图





