四发四收LCC48贴片型并行收发模块
发布时间:2025-03-17 13:35:53
发布者:PA视讯官方网站科技
浏览次数:323PA视讯官方网站科技 LCC48 系列四发四收贴片型并行收发模块作为微波与光子技术深度融合的标杆性产品矩阵,以多波长为技术基底,构建起覆盖 155Mbps 至 10.3125Gbps 的全速率层级通信解决方案,在高密度光互联领域树立了军品级可靠性标杆。
该系列产品采用紧凑型 LCC48 封装设计,通过 4 路并行发送与接收通道的协同架构,实现多速率场景下的高效数据传输。其中,155Mbps 型号在 OM3 多模光纤上可支持 1km 超长传输,4.25Gbps 型号适配多种距离需求,形成完整的距离 - 速率适配体系。光纤配置采用模块化设计,提供扁纤、圆纤、散纤等多元选择,带弹簧、导针的定制化方案进一步满足复杂环境安装需求,尾纤长度通过标准化代码体系实现 25mm 至 1500mm 的精准定制,公差控制在 ±5% 以内,确保系统集成的高精度适配。
在极端环境适应性上,系列产品通过军品工业级(-40℃~+85℃)与扩展工业级(-55℃~+85℃)的双温区设计,配合定制化温度级选项,可从容应对机载雷达、极地通信等严苛场景。单 3.3V 低功耗供电体系与 CML 电平信号传输技术的结合,使模块在保持 1.32W 超低功耗的同时,实现高速信号的稳定传输;I2C 串行监控接口则为系统提供实时状态诊断能力,大幅提升运维效率。
光电性能指标彰显技术实力:发射端 840-860nm 中心波长范围内,平均光功率稳定在 - 5~+3dBm,消光比≥3dB,确保信号完整性;接收端灵敏度依速率梯度优化,配合 + 3dBm 的饱和光功率设计,有效抵御链路衰减与干扰。全系列严格遵循 IEC-60825 激光安全标准与 ROHS 2.0 环保规范,在服务器集群互连、高速数据背板等领域展现出卓越的适配性。
工程应用层面,模块通过 10×10mm 导热焊盘与优化散热设计,结合防静电(ESDMM 500V)、防激光损伤等多重防护机制,确保长期稳定运行。手工焊接工艺与精准的引脚定义(含独立发射 / 接收电源、差分信号接口及告警引脚),为高密度 PCB 布局提供灵活支持,成为微波光子融合领域的标杆级解决方案。

PA视讯官方网站科技并行收发LCC光模块
产品特性:
4路发送、4路接收并行光纤通道
支持单通道155Mbps、622Mbps、1.25Gbps、2.5Gbps、3.125Gbps、4.25Gbps、6.25Gbps、8Gbps、10.3125Gbps速率传输
OM3多模光纤传输距离100m、300m、500m、1km
扁纤/圆纤/散纤/带弹簧/带导针可选
单3.3V电源供电
数据差分信号输入/输出CML电平
I2C串行数据接口通信监控
紧凑的结构设计,高密度高容量
手工焊接
产品等级:
军品工业级(J):-40℃~+85℃
军品扩展工业级(M):-55℃~+85℃
定制温度级(D)
产品应用:
支持甚短距离的高速数据通信连
服务器与存储器阵列的互连
机载雷达
其他光学链接
执行标准:
符合 I 类激光安全标准 IEC-60825
ROHS 2.0

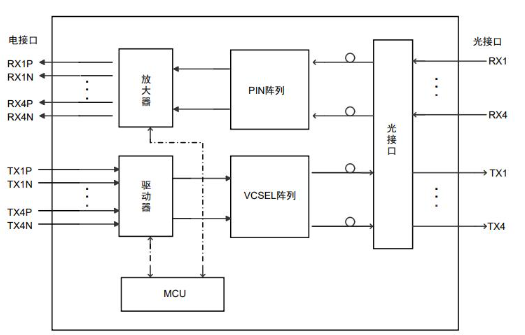
四收四发LCC光模块原理框图
订购信息表:
| 型号 | 速率 | 波长 | 传输距离 | 光纤类型 | 接口 | 工作温度 |
| DTBBP44-444*注2SJ2*注3C8 | 4 . 2 5 4.25Gbps | 850nm | 300m | 多模 | MT | -40℃~+85℃ |
| DTBBP44-444*注2SM2*注3C8 | 4.25Gbps | 850nm | 300m | 多模 | MT | -55℃~+85℃ |
D T B B P 4 4 - 9 4 4 * 注 2 N J 2 * 注 3 G DTBBP44-944*注2NJ2*注3G2 | 1 0 . 3 1 2 5 G b p s 10.3125Gbps | 850nm | 100m | 多模 | MT | -40℃~+85℃ |
| DTBBP44-944*注2NM2*注3G2 | 10.3125Gbps | 850nm | 100m | 多模 | MT | -55℃~+85℃ |
| DTBBP44-944*注2NJ2*注3 | 10.3125Gbps | 850nm | 100m | 多模 | MT | -40℃~+85℃ |
| DTBBP44-944*注2NM2*注3 | 10.3125Gbps | 850nm | 100m | 多模 | MT | -55℃~+85℃ |
| DTBBP44-844*注2NJ2*注3 | 8Gbps | 850nm | 100m | 多模 | MT | -40℃~+85℃ |
| DTBBP44-844*注2NM2*注3 | 8Gbps | 850nm | 100m | 多模 | MT | -55℃~+85℃ |
| DTBBP44-644*注2SJ2*注3 | 6.25Gbps | 850nm | 300m | 多模 | MT | -40℃~+85℃ |
| DTBBP44-644*注2SM2*注3 | 6.25Gbps | 850nm | 300m | 多模 | MT | -55℃~+85℃ |
| DTBBP44-444*注2SJ2*注3 | 4.25Gbps | 850nm | 300m | 多模 | MT | -40℃~+85℃ |
| DTBBP44-444*注2SM2*注3 | 4.25Gbps | 850nm | 300m | 多模 | MT | -55℃~+85℃ |
| DTBBP44-344*注2SJ2*注3 | 3.125Gbps | 850nm | 300m | 多模 | MT | -40℃~+85℃ |
| DTBBP44-344*注2SM2*注3 | 3.125Gbps | 850nm | 300m | 多模 | MT | -55℃~+85℃ |
| DTBBP44-244*注2DJ2*注3 | 2.5Gbps | 850nm | 500m | 多模 | MT | -40℃~+85℃ |
| DTBBP44-244*注2DM2*注3 | 2.5Gbps | 850nm | 500m | 多模 | MT | -55℃~+85℃ |
| DTBBP44-144*注2DJ2*注3 | 1 . 2 5 G b p s 1.25Gbps | 850nm | 500m | 多模 | MT | -40℃~+85℃ |
| DTBBP44-144*注2DM2*注3 | 1.25Gbps | 850nm | 500m | 多模 | MT | -55℃~+85℃ |
| DTBBP44-R44*注2MJ2*注3 | 622Mbps | 850nm | 1km | 多模 | MT | -40℃~+85℃ |
| DTBBP44-R44*注2MM2*注3 | 622Mbps | 850nm | 1km | 多模 | MT | -55℃~+85℃ |
| DTBBP44-K44*注2MJ2*注3 | 155Mbps | 850nm | 1km | 多模 | MT | -40℃~+85℃ |
| DTBBP44-K44*注2MJ2*注3 | 155Mbps | 850nm | 1km | 多模 | MT | -55℃~+85℃ |
注1:外壳温度。
注2:“*”=H表示扁纤;“*”=J表示圆纤;“*”=N表示散纤(默认带透明螺纹管);“*”=P表示带弹簧扁纤;“*”=Q表示带弹簧圆纤。
注3:“*”表示尾纤长度,详见尾纤长度代码表。
模块尺寸(单位为毫米,未标注公差为±0.2mm)

印制板推荐尺寸

模块底面散热焊盘说明
模块底面10.0×10.0mm焊盘,为导热焊盘,该焊盘与模块GND相连,为模块主要散热渠道。该焊盘与用户主板需要良好接触,便于模块工作时所产生热量及时导出,使模块处于良好的工作状态。
主板散热焊盘推荐设计
用户主板焊盘设计推荐尺寸为10.2×10.2mm,焊盘与主板共地,可在主板上做相应的散热设计,具体实现方法如下:
1、加导热孔,在主板的焊盘上排列一定尺寸和数量的导热孔,导热孔的尺寸和数量根据主板的布板,由用户自定义。推荐导热孔设计:φ0.25mm过孔,10×10个。
2、裸铜处理,在主板的散热焊盘底面,最好铺覆大面积的铜,且铜表面无绿油覆盖,覆铜面积根据用户的实际布板状况,尽量大。
模块散热焊盘与用户主板的连接方式
1、焊接方式:主板焊盘上涂锡膏,在焊盘背面相对区域,利用热风枪等焊接工具从主板背面加热使锡膏融化。锡膏的涂覆如上页右图示意,注意锡膏要适量。注意:不能用热风枪从模块顶面加热,以免损伤模块的光纤带。
2、涂导热硅脂方式:若无法实现在模块焊盘和主板焊盘之间焊接,则可以在两者之间加适量的导热硅脂,保证模块和主板的良好接触。导热硅脂可选取导热性能良好,且环境适应性强的产品。(注意:导热硅脂应选择适用于产品。)
尾纤长度代码表:
| 尾纤长度(mm) | 代码 | 尾纤长度(mm) | 代码 |
| 30 | 0 | 150 | R |
| 50 | A | 160 | S |
| 55 | B | 170 | T |
| 60 | C | 180 | U |
| 65 | D | 190 | V |
| 70 | E | 200 | 2 |
| 75 | F | 300 | 3 |
| 80 | G | 400 | 4 |
| 85 | H | 500 | 5 |
| 90 | J | 600 | 6 |
| 95 | K | 700 | 7 |
| 100 | 1 | 800 | 8 |
| 110 | M | 900 | 9 |
| 120 | N | 1000 | L |
| 130 | P | 1500 | Z |
| 140 | Q | 定制 | Y |
注:
尾纤长度≥50mm 时扁纤、圆纤、散纤可选,带弹簧、带导针可选。
尾纤长度<50mm 时可做扁纤,不带弹簧。
尾纤长度常规公差为±L*5%。
特殊需求另行沟通。





